法律法规
北京市公安局关于印发北京市公安局人口信息查询工作规范的通知
京公人口基层字〔2025〕197号
各分局:
现将《北京市公安局人口信息查询工作规范》印发给你们,请立足工作实际,认真贯彻执行。
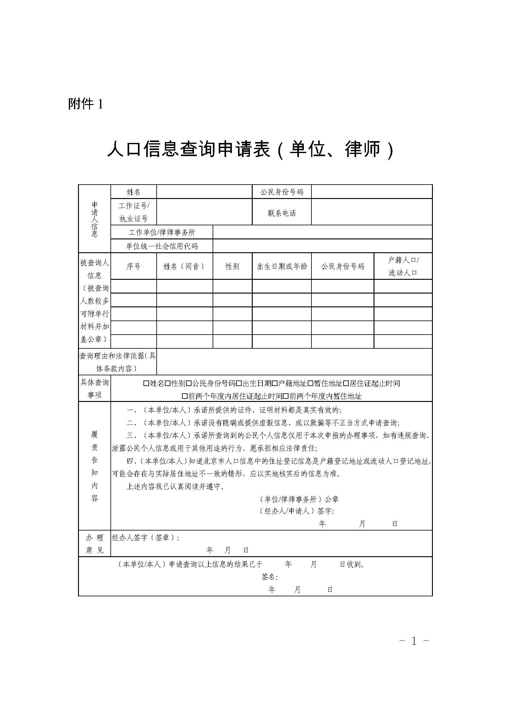
附件:1.人口信息查询申请表(单位、律师)
2.人口信息查询申请表(个人)
北京市公安局
2025年4月1日
北京市公安局人口信息查询工作规范
第一条 为进一步规范人口信息查询工作,保护公民个人信息安全,根据《中华人民共和国居民身份证法》《中华人民共和国个人信息保护法》等相关法律法规,制定本规范。
第二条 人口信息查询工作坚持严格依法、规范便捷的原则。
第三条 机关、军队、企事业单位和其他组织因工作需要,律师因承办法律事务需要,公民因寻亲访友需要查询人口信息的,适用本规范。
第四条 机关、军队、企事业单位和其他组织因工作需要,律师因承办法律事务需要查询人口信息的,应当有法律、法规的明确规定或取得被查询人同意。
公民因寻亲访友需要查询人口信息的,公安机关应当取得被查询人同意。
查询不满十四周岁未成年人个人信息的,应当取得未成年人的父母或其他监护人同意。
第五条 以下情形不适用本规范:
(一)机关、军队等单位因招录、征兵、加入党团组织等工作需要的;
(二)纪检监察机关、人民法院、人民检察院及公安机关因办理案件需要的;
(三)法律、法规另有规定的。
第六条 人口信息查询工作由本市各区政务服务中心或公安分中心户籍窗口、各户籍派出所户籍窗口负责办理。
机关、军队、企事业单位和其他组织查询人口信息,律师查询人口信息的,向本市各区政务服务中心或公安分中心户籍窗口提出申请。
公民因寻亲访友需要查询人口信息的,向本市户籍派出所提出申请。
第七条 人口信息查询范围为本市户籍人口信息和本市有效居住证人口信息。
(一)机关、军队、企事业单位和其他组织因工作需要,可以申请查询有关人员的姓名、性别、公民身份号码、出生日期、户籍地址、暂住地址、居住证起止时间等内容;
(二)律师因承办法律事务需要,可以申请查询有关人员的姓名、性别、公民身份号码、出生日期、户籍地址、暂住地址、居住证起止时间等内容;
(三)公民因寻亲访友需要,可以申请查询有关人员的户籍地址、暂住地址或联系方式。
第八条 申请查询人口信息时,需如实填写《人口信息查询申请表》并提供以下材料:
(一)机关、军队、企事业单位和其他组织因工作需要申请查询人口信息的,应当提交单位介绍信和经办人工作证件、身份证件。单位介绍信应当注明查询理由及法律依据、被查询人基本信息等内容;
(二)律师因承办法律事务需要申请查询人口信息的,应当提交律师事务所证明和本人《律师执业证》,已进入诉讼、仲裁阶段的,还应当提交诉讼、仲裁受理通知书。律师事务所证明应当包括:承办法律事务基本情况、查询理由及法律依据、委托人及被查询人基本信息、委托合同及其他需要提供的材料;
(三)公民因寻亲访友需要申请查询人口信息的,应当提交本人身份证件。
第九条 有下列情形之一的,不予查询:
(一)申请查询主体不符合规定的;
(二)申请人提交的材料不符合要求或不真实的;
(三)超出查询范围的;
(四)法律法规规定的其他情形。
第十条 有下列情形之一的,不予提供查询结果:
(一)根据申请人提供的信息无法查到被查询人的或查询结果不唯一的;
(二)法律法规规定的其他情形。
第十一条 公安机关应当对申请材料进行审核,对材料齐全、符合要求的,当场予以查询并提供查询结果。对需进一步核实的,核实后及时提供查询结果。
第十二条 人口信息查询结果可以口头、书面等形式提供。
第十三条 对于公安机关提供的个人信息,申请人应当在申请事由范围内合理使用。对违规查询、泄露公民人口信息或用于其他用途的,依法追究法律责任。
第十四条 公安机关应当充分运用现代科技手段,推动数据共享,提供更加高效便捷的人口信息查询服务。
第十五条 本规范自印发之日起实施,《北京市公安局对外提供查询人口信息户籍服务工作规范(试行)》(京公人管字〔2010〕1015号)同时废止。
附件:1.人口信息查询申请表(单位、律师)
附件:2.人口信息查询申请表(个人)


浏览相关文章


深耕厚积聚焦专注
全力办理委托事项
扎实维护合法权益

